Blog
Đai Ốc Là Gì? Cấu Tạo và Vai Trò Trong Cơ Khí
Trong ngành cơ khí, đai ốc là một linh kiện quan trọng, đóng vai trò then chốt trong việc kết nối và cố định các chi tiết máy. Nhờ thiết kế đơn giản nhưng hiệu quả, đai ốc giúp tạo ra mối ghép chắc chắn, dễ tháo lắp và có khả năng chịu lực cao. Vậy đai ốc là gì? Chúng có cấu tạo như thế nào và giữ vai trò gì trong các hệ thống cơ khí? Hãy cùng Tời neo Bảo Tuấn tìm hiểu chi tiết trong bài viết dưới đây.

Đai ốc là gì?
Đai ốc thường được gọi là ecu. Chúng thường có hình tròn và có các chi tiết ren bên trong. Đây là vật liệu quan trọng được sử dụng rộng rãi trong đời sống hằng ngày, trong công nghiệp và chế tạo máy móc. Khi nhắc đến đai ốc, người ta nghĩ ngay đến bu lông, ốc vít… vì đây là những sản phẩm đi kèm với nhau. Thông thường, để chống ăn mòn điện hóa, đai ốc sẽ được mạ kẽm để tăng độ bền.
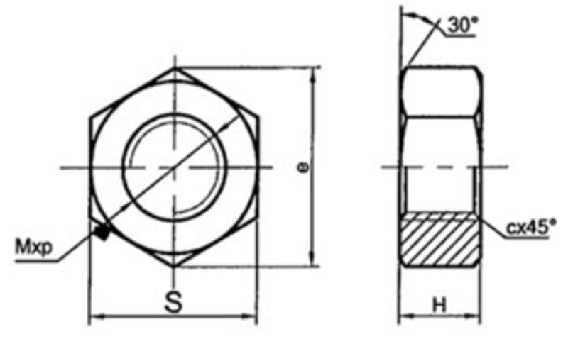
Cấu tạo của đai ốc

Đai ốc thường được gọi là ecu. Hình dạng phổ biến của đai ốc là hình tròn, bên trong có các chi tiết ren. Đây là vật liệu quan trọng và được sử dụng rộng rãi trong đời sống hằng ngày, trong công nghiệp cũng như trong chế tạo máy.
Các vật liệu thường dùng để sản xuất đai ốc bao gồm:
- Đai ốc nhựa có đặc tính nổi trội là chống ăn mòn cao nên thường được dùng để kết nối các thiết bị có tải trọng trung bình và nhẹ.
- Đai ốc đồng có tính mềm dẻo nên khả năng chịu lực và độ bền kém.
- Đai ốc thép bao gồm 2 loại chính: thép cacbon và thép tôi. Trên bề mặt thép cacbon có lớp kẽm nên có khả năng chống ăn mòn cao khi tiếp xúc với hóa chất hoặc độ ẩm. Mặc dù đai ốc thép có độ cứng tốt hơn nhưng nhược điểm là giòn và dễ vỡ.
- Đai ốc thép hợp kim sở hữu một số đặc tính như khả năng chống ăn mòn tốt, chịu nhiệt độ cao, độ bền tốt và cố định bề mặt.
Xem thêm bài viết: Bu Lông Là Gì? Vai Trò Quan Trọng Trong Kết Cấu Cơ Khí
Tiêu chuẩn kỹ thuật đai ốc
Các thông số kỹ thuật của đai ốc phải tuân thủ một số tiêu chuẩn quốc tế để đảm bảo tính đồng nhất và an toàn khi sử dụng. Một số tiêu chuẩn phổ biến bao gồm:
- ISO: Đây là Quy định về đai ốc lục giác có ren thuộc hệ mét. Nói một cách đơn giản, đây là tiêu chuẩn quy định kích thước và chất lượng tiêu chuẩn của đai ốc.
- DIN: Là tiêu chuẩn về kích thước cũng như bước ren của đai ốc. Đây là tiêu chuẩn của Đức và hiện đang được áp dụng ở nhiều quốc gia.
- Tiêu chuẩn ASTM: Tiêu chuẩn của Mỹ tập trung vào vật liệu, đặc biệt là kiểm soát chất lượng và tính năng của bu lông và đai ốc.
- Tiêu chuẩn JIS: Được áp dụng rộng rãi ở trong khu vực Châu Á. Tiêu chuẩn JIS liên quan đến kích thước và hình dạng của bu lông và đai ốc.
Các loại đai ốc phổ biến hiện nay
Đai ốc (Ecu) lục giác

Đai ốc lục giác là một loại đai ốc phổ biến hiện nay. Với thiết kế sáu cạnh, nó cung cấp khả năng chịu tải tốt và dễ dàng thao tác bằng các công cụ thông thường như cờ lê hoặc kìm. Đai ốc lục giác được sử dụng rộng rãi trong các kết cấu thép, máy móc cơ khí và các công trình xây dựng. Loại đai ốc này có khả năng chịu tải cao và có thể sử dụng với bu lông ren.
Xem thêm bài viết: Tắc kê là gì? Vai trò và ứng dụng trong xây dựng
Đai ốc (Ecu) khóa
Đai ốc khóa được biết đến với những cái tên quen thuộc như đai ốc khóa, đai ốc chống trôi, đai ốc chống trượt, v.v. Sở dĩ nó được gọi như vậy là vì thiết kế đặc biệt của nó khiến việc tháo rời trở nên khó khăn hơn. Giúp ngăn ngừa tình trạng lỏng lẻo hoặc trượt khi hệ thống rung hoặc chịu tải trọng nặng.
Đai ốc (Ecu) mũ

Đai ốc mũ được thiết kế với đầu kín, giúp bảo vệ đầu bu lông khỏi hư hỏng do va đập hoặc các yếu tố môi trường khác. Loại đai ốc này thường được sử dụng trong các thiết kế đòi hỏi tính thẩm mỹ cao như đồ nội thất, công trình kiến trúc hoặc các thiết bị điện tử. Với thiết kế đầu mũ, nó không chỉ bảo vệ bu lông mà còn ngăn ngừa các sự cố như chập điện hoặc hư hỏng do tác động bên ngoài.
Đai ốc (Ecu) liền long đen
Đai ốc không có vòng đệm là loại đai ốc có vòng đệm (long đền) bên dưới, giúp tăng độ bám và giảm áp lực lên bề mặt khi siết chặt. Tính năng chống trượt và khả năng chịu tải tốt khiến đai ốc không có vòng đệm trở thành lựa chọn ưu tiên trong các môi trường đòi hỏi độ an toàn và độ bền cao.
Đai ốc (Ecu) nối ren
Đai ốc ren có hình dạng giống như đai ốc lục giác và được sử dụng để kết nối hai bu lông hoặc ren với nhau, thường được sử dụng trong trường hợp cần kéo dài chiều dài của bu lông nhưng vẫn đảm bảo độ bền. Loại đai ốc này thường được sử dụng trong các kết cấu thép hoặc các ứng dụng công nghiệp đòi hỏi chiều dài kết nối lớn.
Ứng dụng của đai ốc trong đời sống và công nghiệp

Dưới đây là một số ứng dụng phổ biến của đai ốc mà bạn có thể tìm hiểu:
- Trong công nghiệp: Đai ốc khi kết hợp với bu lông sẽ tăng khả năng chịu lực, giảm thiểu lực rung, lắc nên được dùng để tạo kết nối với nhau. Đai ốc được sử dụng rộng rãi trong cơ khí, lắp ráp, máy móc và thiết bị xây dựng.
- Trong công nghiệp xây dựng và nội thất: Đai ốc dùng để nối các mối nối của các thiết bị gia dụng như tủ lạnh, máy lạnh, máy móc gia dụng.
- Trong công nghiệp thiết kế nội thất: Đai ốc có khả năng chịu nhiệt, chịu lực tốt, ít bị ăn mòn, độ bền cao.
- Trong công nghiệp lắp đặt cơ khí: Đai ốc dùng để lắp đặt máy móc như máy tời điện, kết nối các chi tiết, chi tiết máy để tạo thành một kết cấu hoàn chỉnh.
- Trong công nghiệp xây dựng: Đai ốc có tính ứng dụng cao trong các công trình xây dựng. Với nhiều hình dạng, kích thước khác nhau sẽ tạo nên mối liên kết nhất định giữa các thanh thép, tôn, đinh thép.
Kết luận
Đai ốc tuy là một chi tiết nhỏ nhưng lại có vai trò quan trọng trong ngành cơ khí và nhiều lĩnh vực khác. Nhờ vào thiết kế linh hoạt và khả năng kết nối chặt chẽ với bulong, đai ốc giúp đảm bảo sự ổn định và an toàn cho các công trình và thiết bị. Việc hiểu đai ốc là gì và lựa chọn đúng loại đai ốc phù hợp với mục đích sử dụng sẽ giúp tối ưu hiệu suất làm việc và tăng độ bền của hệ thống lắp ghép.




